一. 产品概述
我公司是专业制造螺旋板式换热器的企业,有卷制螺旋板式换热器的大型专机。制造工艺先进,经验丰富,确保可靠的产品质量。
螺旋板式换热器广泛用于石油化工、食品、制药、机械、供热和废气废液的热回收等领域。典型应用是酒精加工和焦化企业的贫富油加工。
螺旋板式换热器与其它类型换热器相比的特点是,传热流道长、流道间距较大、流阻较小、耐高温、不易泄漏。因此它换热效率较高,换热后冷介质的温度容易接近热介质温度,适于粘稠性物料和含有颗粒性物料的加温或降温处理,但不适于含有纤维性物料换热,螺旋板式换热器也适用于有机化合物蒸汽的冷凝加工。
二、螺旋板式换热器的基本构造和工作原理
螺旋板式换热器是由两张较长的钢板叠放在一起卷制而成的,如图1,板间均布地焊有使其产生一定流道间距的定距柱,定距柱也起到支撑钢板耐流体压力的作用,又有使流体在流动时产生湍流从而提高换热效率的作用。相邻的两流道流通两种温度不同的流体介质,通过螺旋换热钢板进行传热,达到换热的目的,两流道的间距根据流量的大小确定,可以相同,也可不同。

对于换热的两种介质,如果都是液体,在螺旋板式换热器的流道内要按逆流方式流动。所谓逆流是指进行换热的两相邻流道内的两种液体,沿螺旋流道彼此相反的方向流动,如图2,这样能使两种流体介质之间始终保持一定的温差,从而达到最好的传热效果。
对于换热的两种介质,一种是液体,另一种是气体,则它们在螺旋板式换热器内要按错流方式流动,即液体在换热器内沿螺旋方向流动,而气体沿换热器的轴向直接通过,如图3,这主要是考虑到气体的特点,气体一般要求流量大,阻力小,或有的是用于蒸汽冷凝,因此一般不让气体沿螺旋方向流动。

三、螺旋板式换热器的类型
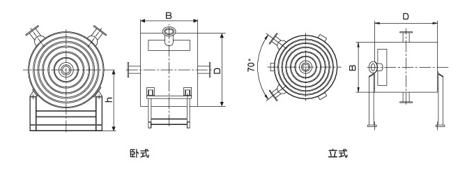
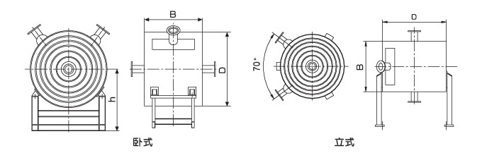
1、不可拆式
卷制后的螺旋板式换热器,其两端焊死,如图4,它不可拆卸,形成固定结构,流道内部不可触及,它适用于不易堵塞的流体换热。不可拆式又有卧式和立式的结构。
2、可拆式
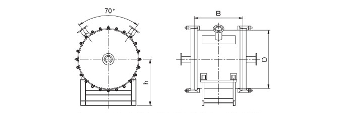
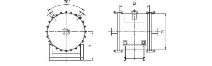
卷制后的螺旋板式换热器,每端只将一个流道焊死,而另一个流道开放,然后在端面上加端盖加以密封。如图5,其端盖可以拆卸,从而可以清理流道内部。它适用于易堵塞的流体换热。

3、特殊形式
有些化工上用的螺旋板式换热器,根据加工工艺的要求,需要诸如图6的特殊结构,两端带有封头、端盖或两个换热器串在一起,结构不一。需要设计部门专门设计。

构成螺旋板式换热器的主换热材料,主要分为碳钢和不锈钢两大类,碳钢的螺旋板材料为Q235- A,不锈钢的螺旋板材料主要有0Cr19Ni9(SUS304)和00Cr17Ni14Mo2(SUS316L)。
四. 螺旋板式换热的选型计算

2、对数平均温差:

当热介质的进出口温差与冷介质进出口温差相等时,采用算术平均温差:
3、换热面积:

4、换热器流道内介质流速:


五、 螺旋板式换热器性能及其型号的表示方法
螺旋板式换热器的最高工作温度可达构成换热器材料所能耐用的最高指标,最高可达300°C。
设计压力可分为0.6、1.0、1.6MPa,相应地,螺旋换热板的度应为4、5、6mm。型号表示方法如下:

六、 螺旋板式换热器的参数表
对于表中的尺寸和重量,由于换热面积、流道间距和其它结构的不同而不同,所以表中数据仅供参考。








七. 螺旋板式换热器的安装、使用与维护
1、安装:
螺旋板式换热器应按设计图纸安装联接,基础应是专门设计的强度较高的混凝土基础。周围应留有足够的空间,以便使用和检修,地下应设有地漏排水道。
2. 使用:
使用中不得超出设计的压力和温度。运行之前应先用清水冲洗换热器流道。在液体介质进口之前应设有过滤器,避免带有纤维性物质进入换热器,以免发生换热流道堵塞。
3, 维护:
在曰常使用中要定时检查,停用后要及时满理流道内的残存物质。如换热流道内发生结垢或堵塞,可用蒸汽吹扫来清理,也可根据结垢的成分用化学碱溶液或酸溶液进行清洗。